基准偏移–几何公差基准后面出现M
基准偏移的概念和产生
概念:基准偏移原因就是零件基准形体和检具模拟基准之间允许的松动(偏移)。
产生原因:当尺寸形体基准标注M,模拟零件基准形体的检具尺寸固定,但零件基准形体尺寸能在它的尺寸范围内变动,零件就会与检具之间产生松动(偏移)。
基准偏移导致结果
由于基准相对基准形体偏移,导致公差带产生平移或转动,即增加了公差。
基准偏移应用场景
尺寸形体基准有对手件装配关系时,考虑带M,从而应用基准偏移。
DTAS 3D公差仿真分析可精准模拟基准偏移,不仅能模拟基准相对基准形体的随机浮动,而且能计算浮动导致的公差带平移和旋转,计算特征间尺寸变化波动,如壁厚等。

DTAS 3D–基准偏移的建立与验证
2.DTAS 3D中建立特征,本案例中为孔特征
3.定义基准C及被测孔公差
4.建立虚拟测量,以监测基准及公差定义是否正确

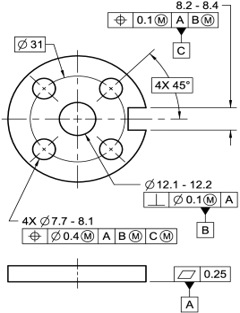
基准偏移实例-不带基准偏移理论解
额外概念
局部基准(主基准3面,局部基准2面1孔)
计算目标
孔到面的最大与最小距离
理论值=中心到边缘距离-半径=12-3.9=8.1
最小值时
1.1. 基准形体面C最右(内偏垂直度0.15)
1.2. 基准形体孔D直径最大,位置最左(偏移量:(0.1+0.2)/2=0.15)
1.3. D的模拟基准可膨胀时(不固定),被测孔直径最大,且轮廓最左
=随基准孔D联动值+位置度最左+孔最大偏差的一半
=0.15+(0.2+0.2)/2+0.2/2
=0.15+0.2+0.1
=0.45
最小值= 理论值-1.1和1.3的和
=8.1-(0.15+0.45)
=7.5
最大值时
2.1.基准形体面C无偏
2.2 基准形体孔D直径最大,位置最右((0.1+0.2)/2=0.15)
2.3.D的模拟基准可膨胀时(不固定) ,被测孔轮廓最右
=随基准孔D联动值+左边缘贴实效边界
=0.15+0.2/2
=0.15+0.1
=0.25
最大值=理论值+2.1和2.3的和
=8.1+(0+0.25)
=8.35
基准偏移实例-带基准偏移理论解
额外概念
局部基准(主基准3面,局部基准2面1孔)
计算目标
孔到面的最大与最小距离

理论值=中心到边缘距离-半径=12-3.9=8.1
最小值时
1.1.基准形体面C最右(内偏垂直度0.15)
1.2.基准形体孔D直径最大,位置最左(偏移量:(0.1+0.2)/2=0.15)
1.3.D的模拟基准朝左偏移(直径固定),被测孔直径最大,且轮廓最左
=随基准孔D联动值+轮廓偏移量+位置度最左+孔最大偏差的一半
=0.15+(0.1+0.2)/2+(0.2+0.2)/2+0.2/2
=0.15+0.15+0.2+0.1
=0.6
最小值= 理论值-1.1和1.3的和
=8.1-(0.15+0.6)
=7.35
最大值时
2.1.基准形体面C无偏
2.2 基准形体孔D直径最大,位置最右((0.1+0.2)/2=0.15)
2.3.D的模拟基准朝右偏移(直径固定) ,被测孔轮廓最右
=随基准孔D联动值+轮廓偏移量+左边缘贴实效边界
=0.15 +(0.1+0.2)/2 +0.2/2
=0.15+0.15+0.1
=0.4
最大值=理论值+2.1和2.3的和
=8.1+(0+0.4)
=8.5
基准偏移实例-不带/带基准偏移仿真解

软件演示:点击
DTAS 3D 基准偏移 总结
